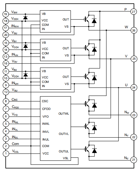
SD20M60AC is a 3-phase brushless DC motor driver with high integration and high reliability for low power inverter driving such as air condition, dishwasher, and industrial sewing machine. It has embedded six low-loss IGBT and three high-speed half-bridge gate drivers with high voltage.
The under voltage, short circuit and over temperature protections integrated make the circuit work safely in a wide range. The current of each phase can be detected separately because there is one independent negative DC terminal for each phase.
SD20M60AC uses high-insulation design, compact package and carries heat easily, which makes it easy to use especially for compact installation applications.
Built-in six low-loss 600V/20A IGBT;
Built-in high-voltage gate driver;
Built-in under voltage, over temperature and over current protections;
Built-in bootstrap diode;
Compatible with 3.3V, 5V MCU interface, active high;
Three independent negative DC terminal for inverter current detection;
Alarm signal: for low-side under voltage and short circuit protections;
Package in DBC design with low thermal resistance;
Insulation level: 2500Vrms/min
| Product Name | Package form | Marking | Hazardous Substance Control | Packing Type | Remarks |
|---|---|---|---|---|---|
| SD20M60AC | DIP-27H | SD20M60AC | Halogen free | Tube |

| title | Types of | Size (KB) | date | Download the latest English version |
|---|---|---|---|---|
| SD20M60AC Datasheet | 0 | 2019-12-31 | SD20M60AC Datasheet |