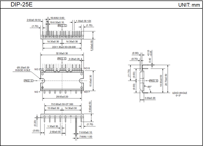
DIP-25E