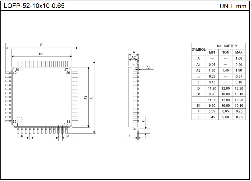
LQFP-52-10×10-0.65