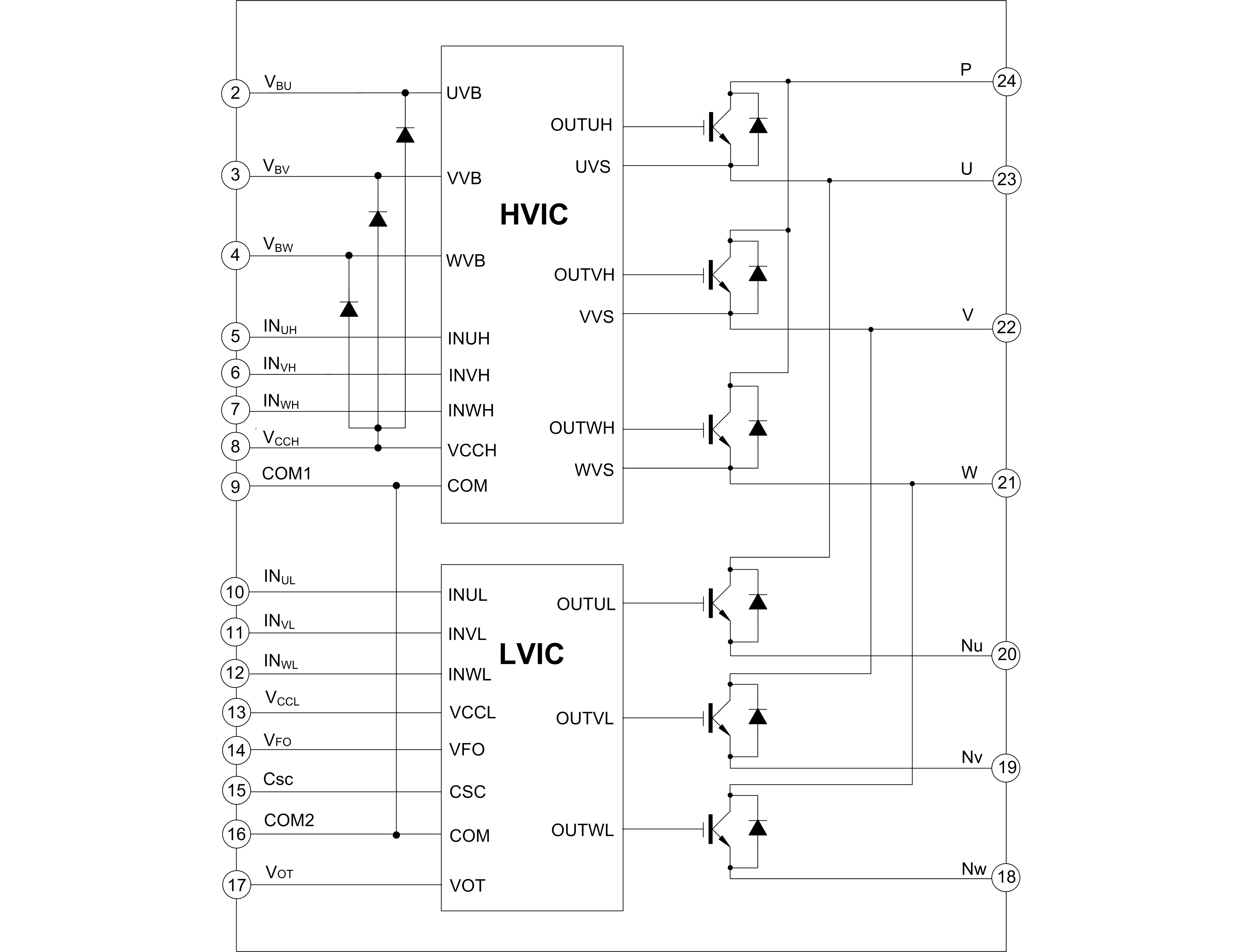
SDM15G60FC8 is a 3-phase brushless DC motor driver with high integration and high reliability for low power inverter driving such as air conditioner, industrial server and low power inverter. It has embedded six low-loss IGBTs and 3-phase full-bridge gate drivers with high voltage.
The under voltage and short circuit protections integrated make the circuit work safely in a wide range. The current of each phase can be detected separately because there is one independent negative DC terminal for each phase.
SDM15G60FC8 uses high-insulation design, compact package and carries heat easily, which makes it easy to use especially for compact installation applications.
Built-in low-loss 600V/15A IGBT
Built-in high-voltage integrated circuit of gate driver
Built-in under voltage protection, over current protection and temperature output
Built-in bootstrap diode with current limiting resistor
Compatible with 3.3V, 5V MCU interface, active high
Three independent negative DC terminal for inverter current detection
Alarm signal: for low-side under voltage, over temperature and short circuit protections
Very low thermal resistance using Al2O3 DBC substrate
Insulation level: 1500Vrms/min
| Product Name | Package form | Marking | Hazardous Substance Control | Packing Type | Remarks |
|---|---|---|---|---|---|
| SDM15G60FC8 | DIP-24HL | SDM15G60FC8 | Halogen free | Tube |

| title | Types of | Size (KB) | date | Download the latest English version |
|---|---|---|---|---|
| SDM15G60FC8 | 0 | 2022-02-28 | SDM15G60FC8 Brief Datasheet |