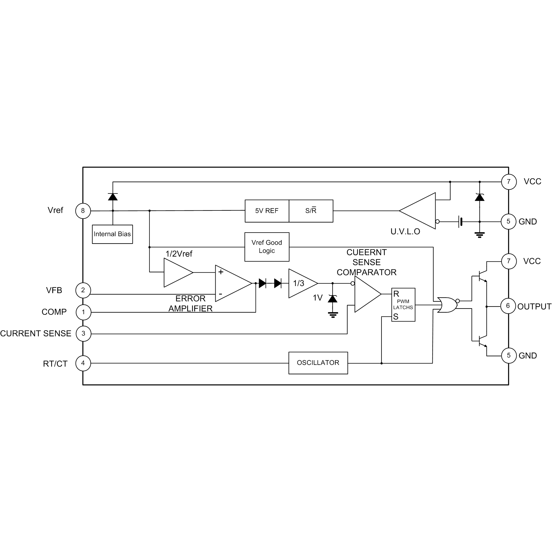
The SA3843 provides the necessary features to implement off-line or DC to DC fixed frequency current mode control schemes with a minimal external parts count. Internally implemented circuits include under-voltage lockout featuring start up current less than 0.5mA, a precision reference trimmed for accuracy at the error amp input, logic to insure latched operation, a PWM comparator which also provides current limit control and a totem pole output stage designed to source or sink high peak current. The output stage, suitable for driving N channel MOSFETs, is low in the off state.
Optimized for off-line and DC to DC converts
Low start up current(<0.5mA)
Automatic feed forward compensation
Pulse-by-Pulse current limiting
Enhanced load response characteristics
Under-voltage lockout with hysteresis
Double pulse Suppression
High current totem pole output
Internally trimmed bandgap reference
500kHz operation
| Product Name | Package form | Marking | Hazardous Substance Control | Packing Type | Remarks |
|---|---|---|---|---|---|
| SA3843SA | SOP-8-225-1.27 | SA3843 | Halogen free | Tube | |
| SA3843SATR | SOP-8-225-1.27 | SA3843 | Halogen free | Tape&Reel |

| title | Types of | Size (KB) | date | Download the latest English version |
|---|---|---|---|---|
| SA3843 Datasheet | 0 | 2021-01-28 | SA3843 Datasheet |