EN
邮箱验证
您的邮箱:
验 证 码:
SLP74AUP1G74
低功耗单路上升沿D类触发器

SLP74AUP1G74为电池供电的便携式应用提供了业界低功耗需求的解决方案。

主要特点
  • 0.8V至3.6V的电源电压范围

  • 静态功耗低;ICC = 0.9µA(最大值)

  • 输入接受高达3.6V的电压

  • 低噪声超调和过调< VCC的10%

  • IOFF电路提供部分断电模式操作

  • ESD防护性能:

    • HBM超过5000V

    • CDM超过1000V

  • 抗闩锁能力超过100mA

  • 工作温度范围-40°C ~ +85°C和-40°C ~ +125°C

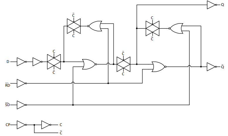
内部框图

image.png

图一  功能图

image.png

图二  一个触发器的逻辑图

封装外形图