EN
邮箱验证
您的邮箱:
验 证 码:
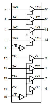
SLP74AHCT244
具有三态输出的八路缓冲器

SLP74AHCT244是一款八进制非反相缓冲/线路驱动器,该器件设计用于4.5 v至5.5 v的VCC操作。

三态输出由输出使能输入(nOE)控制,当OE为HIGH时,输出转到高阻抗off状态。

主要特点
  • 输入电压可高于Vcc

  • 工作范围:4.5V~5.5V

  • 兼容TTL电平的接口

  • ESD防护性能:

  • HBM:2000V

  • CDM:1000V

  • 抗闩锁能力:250mA

  • 工作温度范围-40°C ~ +85°C和-40°C ~ +125°C


内部框图

image.png