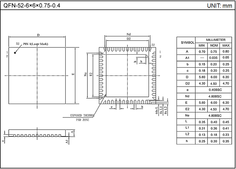
QFN-52-6×6×0.75-0.4(单基岛)