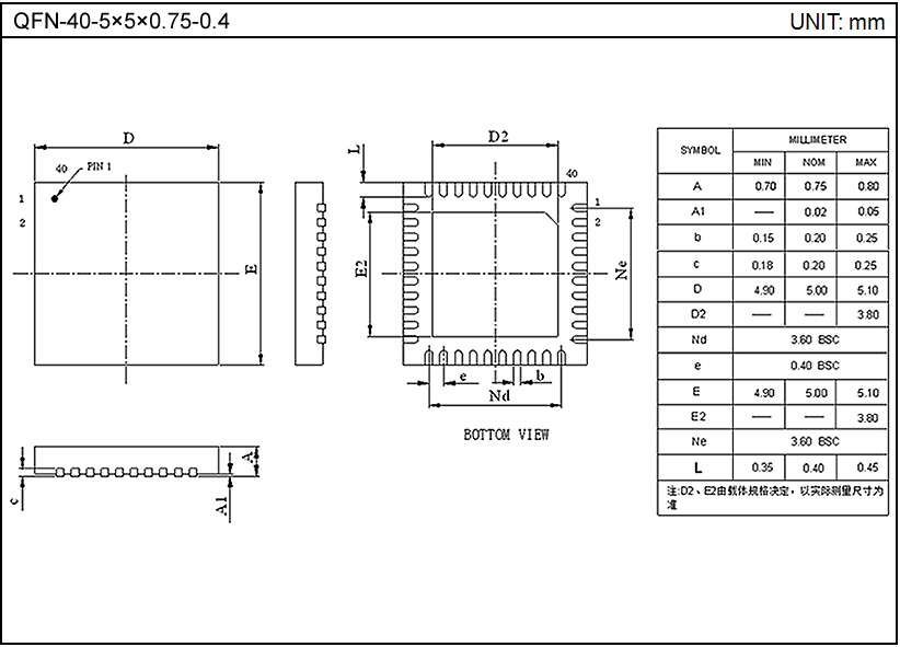
QFN-40-5×5×0.75-0.4