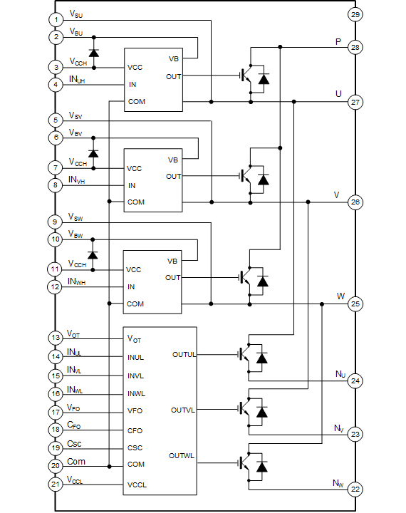
SDM50N60FA是高度集成、高可靠性的3相无刷直流电机驱动电路,主要应用于中高功率的变频驱动,如伺服器、变频器、空调等。其内置了6个低损耗的IGBT管和3个高速半桥高压栅极驱动电路。
SDM50N60FA内部集成了欠压、短路、温度输出等各种电路,提供了优异的保护和宽泛的安全工作范围。由于每一相都有一个独立的负直流端,其电流可以分别单独检测。
SDM50N60FA采用了高绝缘、易导热的设计,提供了非常紧凑的封装体,使用非常方便,尤其适合要求紧凑安装的应用场合。
内置6个600V/50A的低损耗IGBT
内置高压栅极驱动电路
内置欠压保护、过流保护和温度输出
内置自举二极管
完全兼容3.3V和5V的MCU的接口,高电平有效
3个独立的负直流端用于变频器电流检测的应用
报警信号:对应于低侧欠压保护和短路保护
封装体采用DBC设计,热阻极低
绝缘级别:2500Vrms/min
| 产品名称 | 封装形式 | 打印名称 | 环保等级 | 包装 | 备注 |
|---|---|---|---|---|---|
| SDM50N60FA | DIP-29A | SDM50N60FA | 无卤 | 料管 |

| 标题 | 类型 | 大小 (KB) | 日期 | 下载最新中文版本 |
|---|---|---|---|---|
| SDM50N60FA | 315 | 2023-02-08 | SDM50N60FA 简要版说明书 |