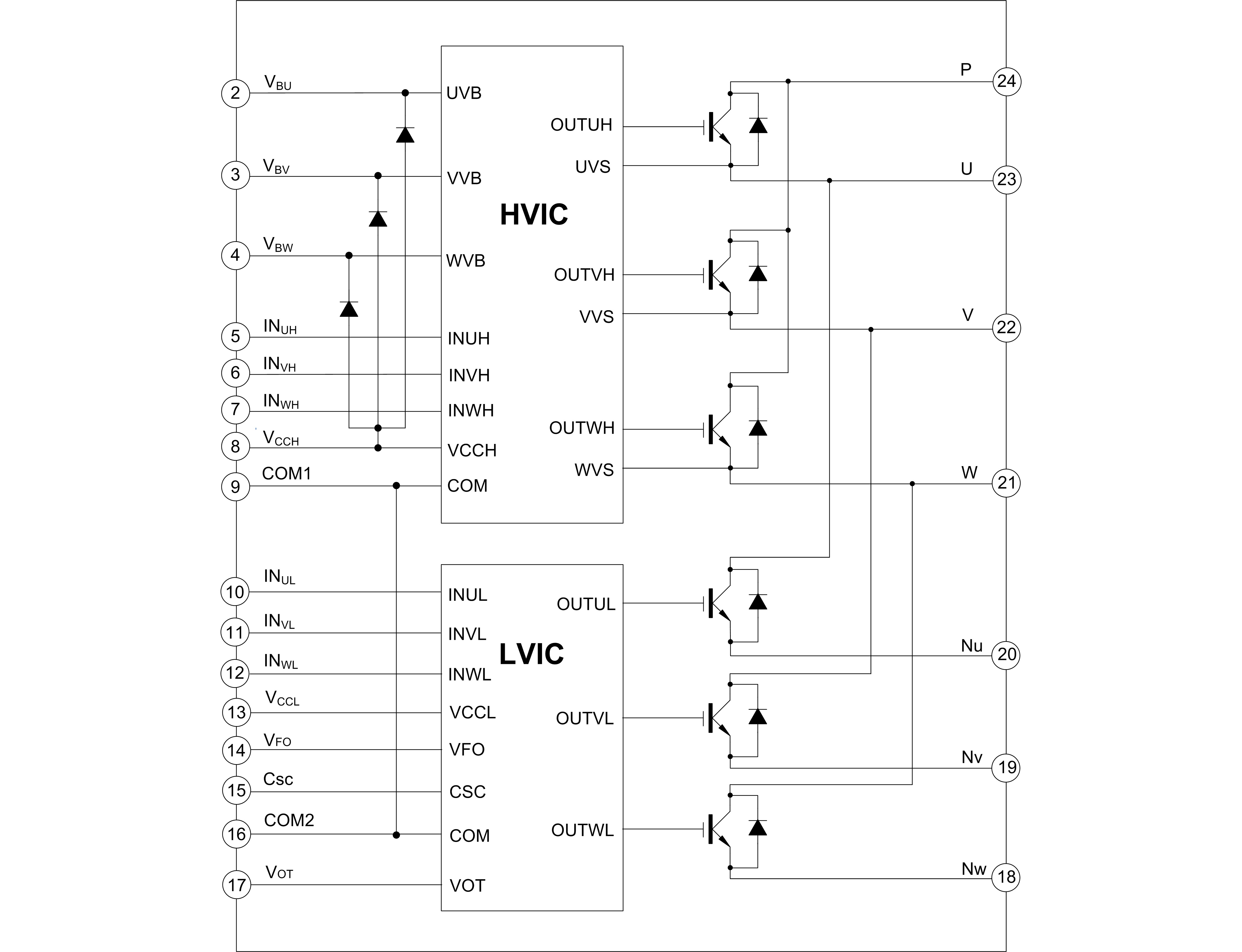
SDM15G60FC8是高度集成、高可靠性的三相无刷直流电机驱动电路,主要应用于较低功率的变频驱动,如空调压缩机、工业伺服器、低功率变频器等。其内置了3相全桥高压栅极驱动电路和6个低损耗IGBT管。
SDM15G60FC8内部集成了欠压、短路等各种保护功能,提供了优异的保护和宽泛的安全工作范围。由于每一相都有一个独立的负直流端,其电流可以分别单独检测。
SDM15G60FC8采用了高绝缘和易导热设计,提供了非常紧凑的封装体,使用非常方便,尤其适合要求紧凑安装的场合。
内置6个低损耗600V/15A IGBT
内置高压栅极驱动电路(HVIC)
内置欠压保护、过流保护和温度输出
内置带限流电阻的自举二极管
完全兼容3.3V和5V的MCU的接口,高电平有效
3个独立的负直流端用于变频器电流检测的应用
报警信号:对应于低侧欠压保护和短路保护
封装体采用 Al2O3 DBC设计,热阻极低
绝缘级别:1500Vrms/min
| 产品名称 | 封装形式 | 打印名称 | 环保等级 | 包装 | 备注 |
|---|---|---|---|---|---|
| SDM15G60FC8 | DIP-24HL | SDM15G60FC8 | 无卤 | 料管 |

| 标题 | 类型 | 大小 (KB) | 日期 | 下载最新中文版本 |
|---|---|---|---|---|
| SDM15G60FC8 | 378 | 2023-02-24 | SDM15G60FC8 说明书 |