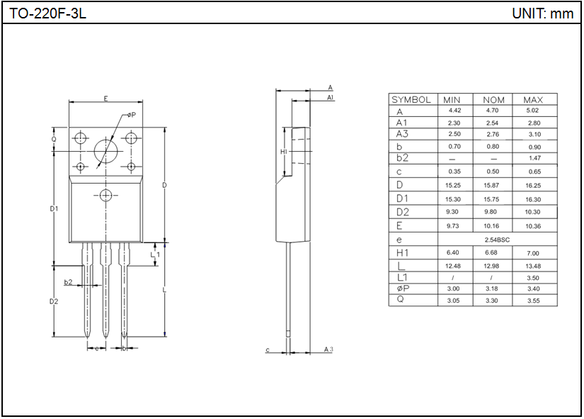
TO-220F-3L