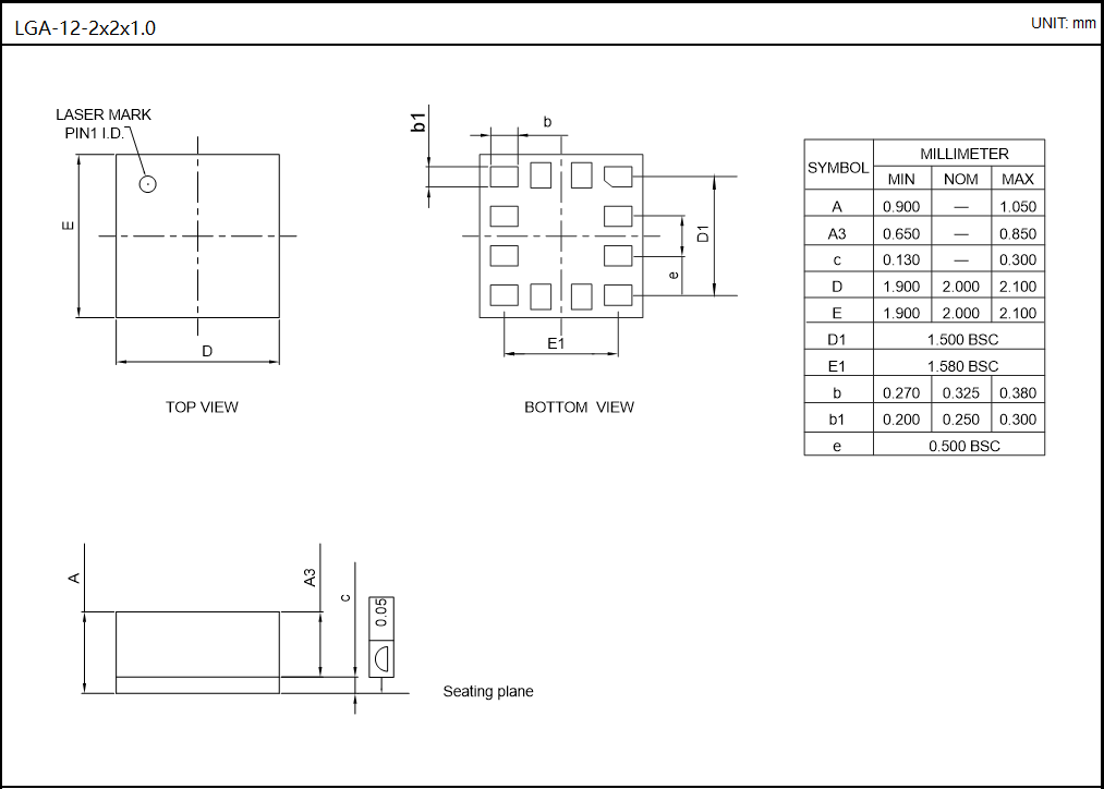
LGA-12-2x2x1.0