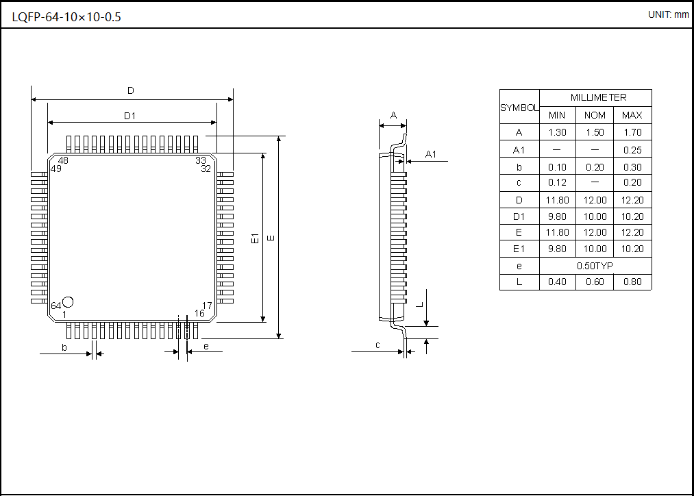
LQFP-64-10×10-0.5