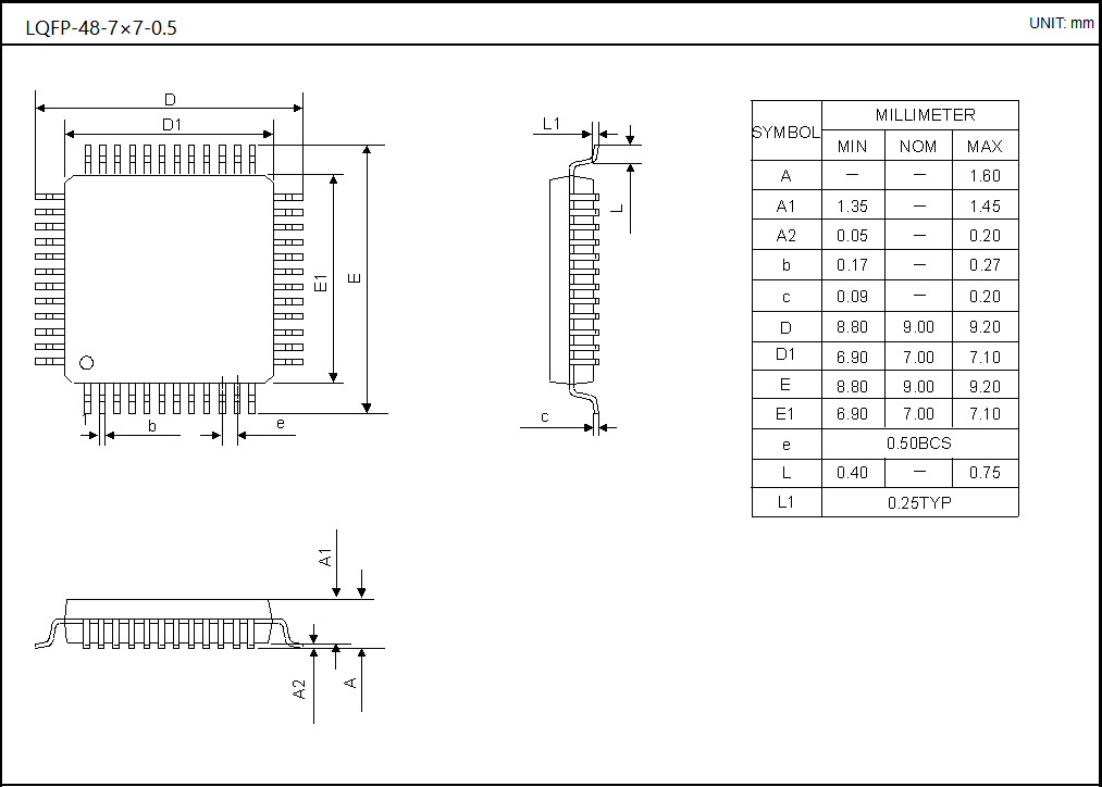
LQFP-48-7×7-0.5