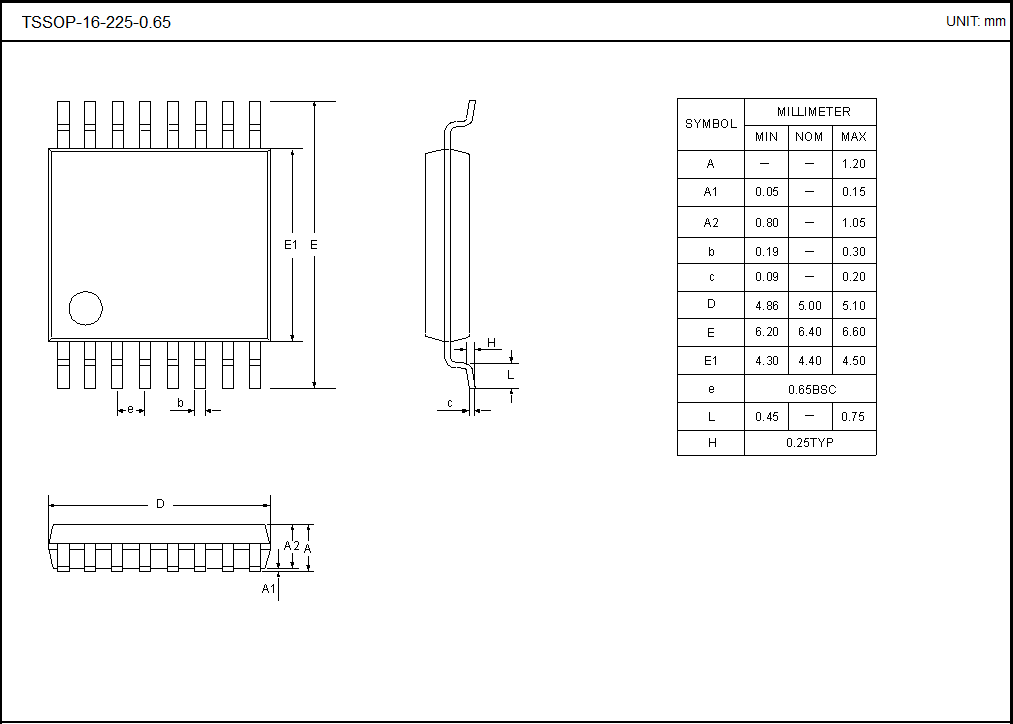
TSSOP-16-225-0.65