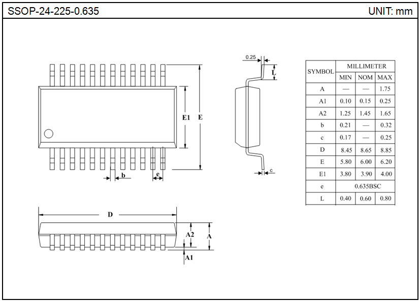
SSOP-24-225-0.635