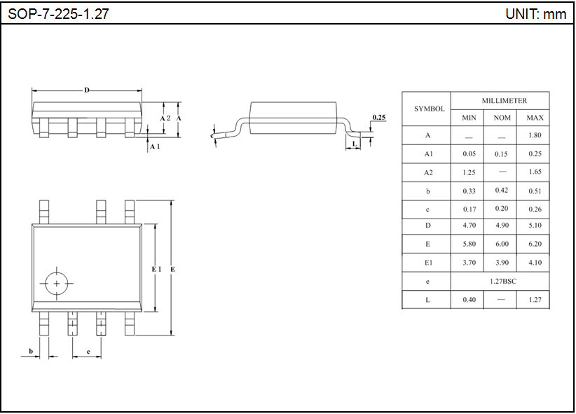
SOP-7-225-1.27