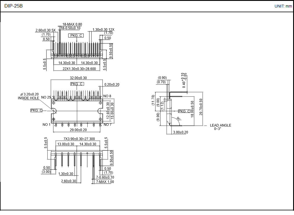
DIP-25B