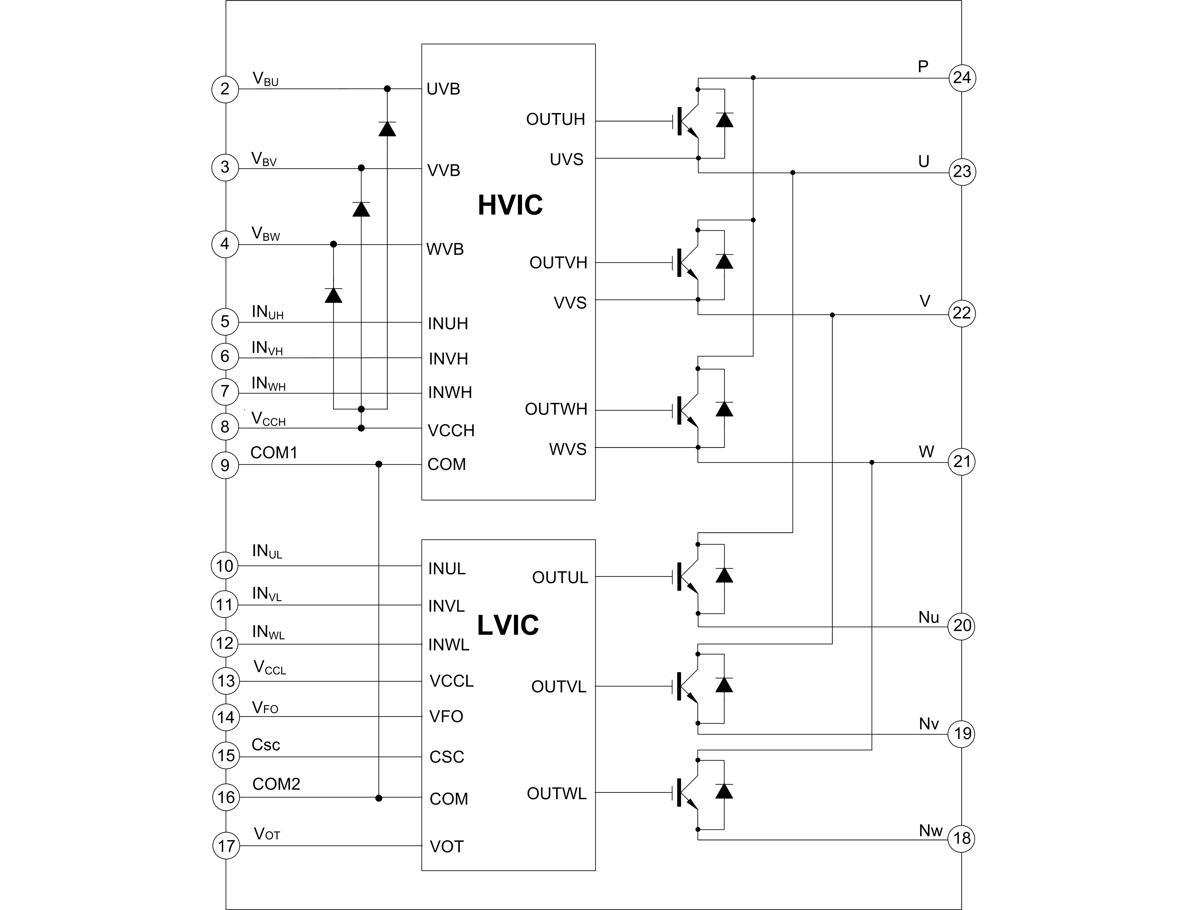
SDM30G60FB is a 3-phase brushless DC motor driver with high integration and high reliability for low power inverter driving such as air conditioner, refrigerator and dishwasher. It has embedded six low-loss IGBTs and 3-phase full-bridge gate drivers with high voltage.
The under voltage, short circuit and over temperature protections integrated make the circuit work safely in a wide range. The current of each phase can be detected separately because there is one independent negative DC terminal for each phase.
SDM30G60FB uses high-insulation design, compact package and carries heat easily, which makes it easy to use especially for compact installation applications.
Built-in low-loss 600V/20A IGBT;
Built-in high-voltage integrated circuit of gate driver;
Built-in under voltage protection, over temperature protection, over current protection and temperature output;
Built-in bootstrap diode with current limiting resistor;
Compatible with 3.3V, 5V MCU interface, active high;
Three independent negative DC terminal for inverter current detection;
Alarm signal: for low-side under voltage, over temperature and short circuit protections;
Very low thermal resistance using Al2O3 DBC substrate;
Insulation level: 1500Vrms/min
| Product Name | Package form | Marking | Hazardous Substance Control | Packing Type | Remarks |
|---|---|---|---|---|---|
| SDM30G60FB | DIP-24HL | SDM30G60FB | Halogen free | Tube |

| title | Types of | Size (KB) | date | Download the latest English version |
|---|---|---|---|---|
| SDM30G60FB | 0 | 2020-08-14 | SDM30G60FB Brief Datasheet |