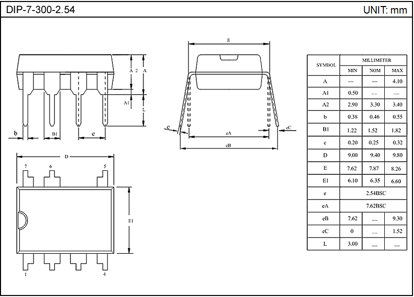
DIP-7-300-2.54